디클로로메탄(Dichloromethane): 성질, 생산 및 용도

디클로로메탄은 메틸렌 클로라이드(methylene chloride) 또는 DCM으로도 알려져 있으며, 단맛이 나는 클로로포름과 유사한 냄새를 가진 무색의 휘발성이 강한 액체입니다. 화학식은 CH2Cl2이며, 다양한 용도로 널리 사용되는 산업용 용매입니다. 이는 전체 클로로메탄(CH3Cl, CH2Cl2, CHCl3, CCl4) 생산량의 25%를 차지합니다.
목차
1. 디클로로메탄의 물리적 성질
디클로로메탄은 무색의 휘발성 액체로, 약간 달콤한 냄새가 나며 여러 물질과 공비 혼합물(azeotropic mixtures)을 형성할 수 있습니다.
디클로로메탄(DCM)은 공기 중에서 가연성 한계를 가지고 있음에도 불구하고, 기존의 분류 체계를 넘어서는 독특한 거동을 보입니다. 20 °C에서 증기 가연성 범위는 13-22% 사이이지만, 발화 에너지가 매우 높기 때문에(18% 혼합물의 경우 9100 mJ 필요) 점화가 어렵습니다.
이는 일반적인 가연성 용매와 대조되는 특징으로, DCM은 담배 불꽃이나 스파크와 같은 저에너지 점화원으로는 잘 타지 않습니다. 그러나 토치나 용접 화염과 같은 고에너지 점화원은 화재 위험을 초래할 수 있습니다.
DCM은 확립된 테스트 표준에 따라 측정 가능한 인화점이 없으므로 가연성 특성이 더욱 복잡합니다. 또한, 다른 가연성 액체와 혼합될 때 해당 액체의 인화점을 높일 수 있어 특정 상황에서는 화재 안전성을 높이는 이점을 제공하기도 합니다.
이러한 복잡성 때문에 디클로로메탄은 가연성 한계로 인해 온도 등급 1(ATEX)에 해당합니다.
주요 물리적 성질은 다음 표에 나열되어 있습니다.
표 1: 디클로로메탄의 물리적 성질
| 성질 | 값 |
|---|---|
| 분자량 (g/mol) | 84.93 |
| 끓는점 (1 bar, °C) | 40.0 |
| 녹는점 (°C) | −95.1 |
| 증기압 (20 °C, mbar) | 467 |
| 기화 엔탈피 (kJ/mol) | 27.99 |
| 융해 엔탈피 (녹는점, kJ/mol) | 6.2 |
| 액체 밀도 (20 °C, kg/m³) | 1326.6 |
| 증기 밀도 (끓는점, kg/m³) | 3.406 |
| 액체 부피 팽창 계수 (0–40°C) (K⁻¹) | 0.00137 |
| 증기 생성 엔탈피 (25°C, 1 bar, kJ/mol) | −92.47 |
| 증기 생성 깁스 자유 에너지 (25°C, 1 bar, kJ/mol) | −65.87 |
| 증기 비열 용량 (25°C, 1 bar, kJ kg⁻¹ K⁻¹) | 0.600 |
| 액체 생성 엔탈피 (25°C, kJ/mol) | −121.46 |
| 액체 생성 깁스 자유 에너지 (25°C, kJ/mol) | −67.26 |
| 액체 비열 용량 (25 °C, kJ kg⁻¹ K⁻¹) | 1.177 |
| 임계 온도 (Tc) (°C) | 245 |
| 임계 압력 (atm) | 60.9 |
| 임계 부피 (mL/mol) | 0.1815 |
| 임계 압축 인자 | 0.2731 |
| 증기 열전도도 (W K⁻¹ m⁻¹) | 0.00758 |
| 액체 열전도도 (20°C, W K⁻¹ m⁻¹) | 0.156 |
| 표면 장력 (20°C, 10⁻³ N/m) | 28.2 |
| 액체 점도 (20°C, cP) | 0.425 |
| 쌍극자 모멘트 | 1.59 |
| 액체 굴절률 (25°C) | 1.4244 |
| 증기 유전율 (20°C) | 1.01 |
| 액체 유전율 (20°C) | 9.10 |
| 발화 온도 (°C) | 605 |
| 공기 중 폭발 하한계 (vol%) | 13 |
| 공기 중 폭발 상한계 (vol%) | 22 |
| 공기/물 분배 계수 (20°C) | 0.12 |
| n-옥탄올/물 분배 계수 (20°C, log Pow) | 1.25 |
2. 화학적 성질
디클로로메탄은 열적으로 안정하며, 산소가 있는 환경에서도 120 °C, 단기간에는 140 °C를 초과하는 온도까지 견딜 수 있습니다. 그러나 분해는 다음과 같은 다양한 요인에 따라 달라집니다.
- 노출 시간: 가열 시간이 길어지면 분해가 가속화됩니다.
- 수분 및 기타 화학 물질: 수분, 녹, 또는 특정 화학 물질의 존재는 분해를 촉진할 수 있습니다.
- 용기 재질: 연강, 스테인리스강, 유리는 알루미늄과 같은 재질보다 호환성이 좋습니다.
열이나 화염이 있는 곳에서 디클로로메탄은 염화수소와 (산소가 있을 때) 미량의 포스겐(phosgene)으로 분해됩니다. DCM의 광산화는 이산화탄소, 염화수소 및 소량의 포스겐을 생성합니다. 이산화질소와의 반응은 일산화탄소, 일산화질소 및 염화수소를 생성합니다.
대부분의 건축용 금속에 안정적이지만, 디클로로메탄은 아연, 알루미늄, 마그네슘 및 그 합금과 그리냐르(Grignard) 유사 반응을 일으켜 부식을 유발합니다. 이러한 금속과 접촉할 때는 안정화된 디클로로메탄 사용이 권장됩니다.
디클로로메탄은 증발하는 동안 가수분해가 거의 일어나지 않지만, 상온에서 시간이 지남에 따라 천천히 가수분해되어 포름알데히드와 염화수소를 생성합니다. 이는 강철 표면에서 관찰되는 녹 발생의 원인이 됩니다.
보관 및 사용 시 산 및 라디칼 제거제 역할을 하는 적절한 안정화제가 필수적입니다. 고압에서 스팀 처리를 하면 디클로로메탄이 쉽게 가수분해됩니다.
열적 또는 광화학적 염소화 공정을 통해 디클로로메탄에 더 많은 염소 원자를 도입할 수 있으며, 이는 클로로포름 및 사염화탄소와 같이 더 많이 치환된 메탄 유도체를 생산하는 데 사용됩니다.
염화 알루미늄 촉매 하에서 브롬 또는 브롬화수소는 염소를 브롬으로 치환하여 클로로브로모메탄 또는 디브로모메탄을 형성할 수 있습니다.
DCM과 불화수소의 반응은 디플루오로메탄(HFC-32)을 생성합니다.
220 °C와 90 MPa에서 알루미늄을 촉매로 사용한 디클로로메탄의 카르보닐화는 클로로아세틸 클로라이드를 생성합니다.
125 °C에서 DCM과 알코올성 암모니아 용액은 헥사메틸렌테트라민을 생성합니다.
페놀레이트(phenolates)와의 반응은 포름알데히드-페놀 반응과 유사하게 진행됩니다.
3. 디클로로메탄의 생산
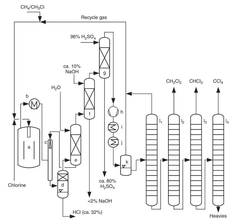
디클로로메탄은 산업적으로 메탄 및 모노클로로메탄을 염소와 직접 반응시켜 염소화함으로써 생산됩니다. 이 공정은 고온(400–500 °C)에서 수행되며 클로로메탄, 클로로포름, 사염화탄소 및 DCM을 포함한 염소화 메탄 유도체 혼합물을 생성합니다.
디클로로메탄은 이 혼합물로부터 분리되어 증류를 통해 정제됩니다.
상세한 산업 공정 설명은 클로로포름 및 사염화탄소에 관한 글에서 확인할 수 있습니다.

a) 루프 반응기; b) 공정 가스 냉각기; c) 퀀치(Quench); d) 가스/액체 분리기; e) HCl 흡수; f) 중화 시스템; g) 황산 건조탑; h) 압축기; i) 1차 응축 단계; j) 2차 응축기; k) 응축액 완충 용기; l1–l4) CH3Cl, CH2Cl2, CHCl3 및 CCl4 증류탑
광염소화(Photochlorination)는 디클로로메탄 생산의 잠재적인 대안으로 꼽힙니다. 이는 라디칼 경로를 사용하여 UV 램프 하에 -20 °C에서 모노클로로메탄을 선택적으로 DCM으로 전환하며, 그 결과 트리클로로메탄 함량이 최소(2–3%)인 제품을 얻을 수 있습니다.
이 공정은 메탄의 직접 염소화에는 사용할 수 없습니다. 연구에 따르면 C2 성분 불순물로부터 디클로로메탄을 정제하는 데 효과적이라고 보고되었습니다.
4. 디클로로메탄의 용도
디클로로메탄은 주로 화학 합성, 추출, 그리고 항생제, 비타민, 카페인, 향료와 같은 의약품 활성 성분의 정제를 위한 용매로 산업 분야에서 사용됩니다.
또한 유리와 유사한 성질을 제공하는 폴리카보네이트 플라스틱 제조에도 사용됩니다.
DCM은 연질 폴리우레탄 폼 생산에서 보조 발포제(co-foam-blowing agent) 역할을 합니다.
다양한 유기 화합물을 용해하는 디클로로메탄의 능력은 금속 세척기, 특수 접착제 및 세정제, 그리고 실험실용 용매로서 큰 가치를 지니게 합니다.
DCM은 R-407C 및 R-410A와 같은 혼합 냉매에 사용되는 저온 냉매인 디플루오로메탄(HFC-32) 제조의 원료로 사용됩니다.
과거에는 페인트 제거제(paint strippers)로 사용되었으나, 안전 문제로 인해 많은 선진국에서 제한되거나 금지되었습니다. 페인트 제거 시의 높은 휘발성과 개방된 환경에서의 사용은 통제되지 않은 노출로 이어져 건강 위험을 초래할 수 있기 때문입니다.
DCM 기반 제품의 안전한 사용은 특정 지역에서 허용된 바와 같이 교육받은 전문가에 의해 또는 폐쇄된 시스템 내에서 수행될 때 가장 잘 보장됩니다.
5. 디클로로메탄의 독성학
디클로로메탄(DCM)은 섭취 시 중등도의 독성을 나타내지만, 주요 위험은 눈과 피부에 미치는 영향에 있습니다. 심한 통증을 유발할 수 있지만, 빠른 증발 특성 때문에 흡수량은 대개 제한적입니다. 그러나 흡입은 가장 주요한 노출 경로입니다.
고농도 흡입 영향:
- 1000 ppm을 초과하는 노출은 마취 상태와 운동 불능을 유발합니다.
- DCM이 일산화탄소로 대사되면서 카르복시헤모글로빈(COHb)이 형성되어 일산화탄소 중독과 유사한 증상을 일으킵니다.
- 허용 노출 수준에서 COHb의 잠재적 부작용은 기존에 심혈관 또는 호흡기 질환이 있는 개인에게만 영향을 미칠 가능성이 큽니다.
기타 독성학적 우려 사항:
- DCM은 동물 실험에서 제한적인 기형 발생성(teratogenicity)을 보였으며, 시험관 내(in vitro) 테스트에서 약한 변이원성 활성을 나타냈습니다.
- 생체 내(in vivo) 유전 독성은 관찰되지 않았습니다.
- 동물 연구에서 생쥐(쥐나 햄스터가 아님)의 흡입 노출과 폐 및 간 종양 사이의 연관성이 발견되었지만, 이러한 발암성은 대사 경로의 차이로 인해 인간에게는 해당되지 않는 것으로 보입니다.
- 최근 연구에 따르면 저산소증과 변화된 생체 리듬 신호가 디클로로메탄 유발 생쥐 종양의 주요 요인일 수 있음을 시사합니다.
- IARC가 이론적 대사 유사성을 근거로 DCM을 “인간에게 발암 가능성이 있는 물질(2A)”로 분류했음에도 불구하고, 최대 100 ppm까지의 직업적 노출에 대한 가용 역학 데이터는 인간에게 발암 효과를 보여주지 않습니다.
- 디클로로메탄의 직업 노출 한도(OEL)는 일반적으로 25~100 ppm 사이이며, 이는 세심한 취급과 적절한 환기의 필요성을 반영합니다.
참고 문헌
Chloromethanes; Ullmann’s Encyclopedia of Industrial Chemistry. – https://onlinelibrary.wiley.com/doi/10.1002/14356007.a06_233.pub4
